文物(历史)建筑结构连接构造的安全性

提供者:石建光  来源:易立通   时间:2024-04-22  

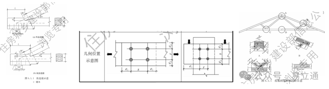
??文物(历史)建筑结构的主要节点、连接的工作状态直接关系到结构受力的传递和结构整体牢固性,是结构安全的主要控制项目,修缮文物(历史)建筑必须查明主要节点、连接的工作状态,做出相应的修复或加固措施才可以保证结构的安全。特别是砖木结构中木构件之间的连接或连接件、木梁在墙体上的搭接等应该确认其有效性。如左右俩侧的梁搭接在墙体的同一位置,如果墙体很薄或墙体强度不足,都可能存在搭接长度不够或局部受压不足的安全隐患。木构件相互的搭接或在挑檐外的搭接等都可能不能满足传力的要求,成为结构的薄弱部位。


? 《古建筑木结构维护与加固技术标准》GB/T 50165-2020、《古建筑砖石结构维修与加固技术规范》GB/T 39056-2020、《近现代历史建筑结构安全性评估导则》WW/T 00482014《文物建筑抗震鉴定技术规范》DB11/T 1689-2019、《建筑抗震设计规范》GB 50011-2010?、《木结构设计标准》GB50005-2017、《上海优秀历史建筑修缮技术规程》DGJ08-108-2004、《广州市历史建筑结构安全与加固指引》2020?年?1?月等对结构主要节点、连接都有明确的要求。

? (1)《古建筑木结构维护与加固技术标准》GB/T 50165-2020

? 在承重木结构的勘查要求查明:结构、构件及其连接的尺寸,主要节点、连接的工作状态。对主要连接部位工作状态的勘查包括:梁、枋拔榫,榫头开裂、折断或卯口劈裂;榫头或卯口处的压缩变形;铁件锈蚀、变形或残缺。结构整体牢固性等级的评定包括构架间的连系构造、梁柱节点的连接、榫卯完好程度。

? (2)《古建筑砖石结构维修与加固技术规范》GB/T 39056-2020

? 在构件构造要求和主体结构整体性评定中都提出连接及砌筑方式是否正确,构造是否符合要求,有无缺陷,有无工作异常。以及结构间整体性连接设计是否合理,连接方式是否正确,连接是否可靠等评定。


? ??(3)《近现代历史建筑结构安全性评估导则》WW/T 00482014

? ?对砌体结构构件的构造不满足表15规定的构造要求时,就是不满足一级评估。

? 对木结构构件的构造,当砌体结构构件的构造,其两个检查项目不满足表18规定的构造要求时,不满足一级评估。

? 而且《近现代历史建筑结构安全性评估导则》在建筑抗震性能评估的基本要求中强调按当地抗震设防烈度要求。近现代历史建筑按其保护级别,其抗震性能评估应符合下列要求:

? a)抗震验算宜按当地抗震设防烈度的要求采用,构造可按当地抗震设防烈度的要求适当放松;

? b)近现代历史建筑重点保护部位的局部结构,其抗震构造应按当地抗震设防烈度的要求采用。

??(4)《文物建筑抗震鉴定技术规范》DB11/T 16892019

??在木结构建筑鉴定的结构整体性连接构造措施勘查中,提出勘查应包括下列内容:

? ? ??a)木柱与柱础的连接状况;

? b)木柱与屋架的连接状况;

? c)木柱与斗栱的连接状况;

? d)斗栱与梁架和屋架的连接状况;

? e)屋架构件之间的连接状况;

? f)斗栱各构件的连接状况。

? 评定木结构建筑的构造,应符合下列要求:

? a)脊檩处,两坡屋顶椽条有防止下滑的措施;檩条有防止外滚和檩端脱榫的措施;

? b)大梁以上各层梁与瓜柱、驼峰等应有可靠的榫接或隐蔽式锚固;

? c)角梁应有充分的抗倾覆连接件连接;

? d)屋顶饰件及檐口瓦应有可靠的系固措施

? e)梁下各柱应有支撑或有效的替代措施以确保纵、横向联系的可靠;

? f)纵向梁枋及其联系构件应无残缺或连接松动;

? g)构架间的纵横向应连接牢固;

? h)梁柱间的连接(包括柱、枋间、柱、檩间的连接),榫头拔出卯口的长度不宜超过榫头长度的?1/4,或有可靠铁件连接。

? 承重木梁(枋)与柱榫卯节点连接处的现状评定,应符合下列要求:

? a)榫头和卯口不应有木材腐朽、虫蛀和老化变质(两者合计)所导致的损伤;

? b)榫头不应有断裂损伤;

? c)卯口不应有劈裂损伤;

? d)榫头和卯口应有可靠连接;

? e)榫卯节点处如有连接铁件,应确保其连接可靠,并且对节点的任何加固措施不应造成建筑整体 刚度变化不均匀。

? 在砖木结构建筑的结构整体性连接构造措施勘查中,要求包括下列内容:

? a)木屋架、木梁、木檩、木龙骨在墙上支承长度,对接檩条在屋架上的支承长度,门窗洞口过梁 的支承长度;

? b)纵横墙咬槎砌筑状况;

? c)后砌非承重砌体隔墙与梁或屋架下弦设置拉结措施状况;

? d)木楼(屋)盖构件设有圆钉、扒钉或铅丝等相互连接措施状况;

? e)层数为二层以上建筑的悬挑阳台、外走廊、木楼梯的柱和梁等承重构件与建筑结构的连接锚固情况。

? 砖木结构建筑的整体性连接构造措施,应按下列要求进行检查判定:

? a)木楼盖、木屋架和木大梁在墙上的最小支承长度不应小于?240mm

? b)纵横墙应咬槎砌筑;

? c)木屋盖建筑应在建筑中部屋檐高度处设置纵向水平系杆,系杆应采用墙揽与各道横墙连接或与 屋架下弦杆钉牢,木屋盖构件应设有圆钉、扒钉或铅丝等相互连接措施;

? d)多层建筑的悬挑阳台、外走廊、木楼梯的柱和梁等承重构件与建筑结构的连接应有可靠的锚固。

?? ?(5)《建筑抗震设计规范》GB 50011-2010

? ? 对木楼、屋盖房屋应在下列部位采取拉结措施:

? 1、两端开间屋架和中间隔开间屋架应设置竖向剪刀撑;

? 2、在屋檐高度处应设置纵向通长水平系杆,系杆应采用墙揽与各道横墙连接或与木梁、屋架下弦连接牢固;纵向水平系杆端部宜采用木夹板对接,墙揽可采用方木、角铁等材料;

? 3、山墙、山尖墙应采用墙揽与木屋架、木构架或檩条拉结内隔墙墙顶应与梁或屋架下弦拉结。木楼、屋盖构件的支承长度应不小于表11.1.3的规定。




? 木结构房屋的构件连接,应符合下列要求:

? 1、柱顶应有暗榫插入屋架下弦,并用U形铁件连接;89度时,柱脚应采用铁件或其他措施与基础锚固。柱础埋入地面以下的深度不应小于200mm

? 2、斜撑和屋盖支撑结构,均应釆用螺栓与主体枃件相连接;除穿斗木构件外,其他木构件宜采用螺栓连接。

? 3、椽与檩的搭接处应满钉,以增强屋盖的整体性。木构架中,宜在柱檐口以上沿房屋纵向设置竖向剪刀撑等措施,以增强纵向稳定性。

?(6)木结构设计标准》GB50005-2017

? 在连接设计给出了齿连接、销连接和齿板连接三种方式,齿连接可采用单齿或双齿的形式,销轴类紧固件的端距、边距、间距和行距最小尽应符合规定。当采用螺栓、销或六角头木螺钶作为紧固件时,其直径不应小于6mm。齿板连接适用于轻型木结构建筑中规格材桁架的节点连接及受拉杆件的接长。齿板不应用于传递压力。


(7)《上海优秀历史建筑修缮技术规程》DGJ08-108-2004

在木构件及木结构的修缮要求应加强结构的连接与构造措施,并符合下列要求:

1、应加强对木结构主要节点的检查,如屋架的端节点、桁条及椽子的搁支点,柱梁之间的榫接点,以及附墙木柱的内侧面、柱脚等。

2、应加强木构件间、构件与围护墙间的连接和支撑,提高结构整体性。

3、木结构的屋架、梁、柱、桁条等出现局部的、个别部位的腐朽、虫蛀、开裂时,应提请设计单位进行承载力验算,并应及时采取加固措施。

对木结构的结构体系、连接构造和设计方法的多样性应予保护,并应符合下列要求

1、对外露的结构及构件的损坏,应采用同类材料,用局部修接的方法进行加固,不擅自改变原有设计样式,不改变相邻构件受力关系。

2、对隐蔽的结构,可根据其损坏程度和使用安全要求,必要时可变更其结构形式,采用新材料进行修缮。

(8)《广州市历史建筑结构安全与加固指引》20201

夹板钢箍加固法

在受损部位附近完好部位设木夹板,用四根钢拉杆与设在端部抵承角钢联结,必?要时可用铁箍箍紧受剪面;在其完好部位设钢夹板,用四根钢拉杆与设在端部抵?承槽钢联结,另一端与钢夹板焊接牢固。最后通过装饰处理进行适当修饰遮挡。

增加支点加固法

梁中部弯曲挠度过大时,可设下撑式钢拉杆。?

增大截面加固法

原柱无法支撑荷载时,墩接更大截面木柱或钢筋混凝土柱。

局部替换法

柱础部分腐朽损坏时,可在截取后按照原规格换新。

整体拆换法

病害情况极其严重时,整根木构件全部重新替换。文物(历史)建筑的修缮需要保证结构的安全,除了满足结构构件的安全要求外,结构的主要节点、连接的工作状态是保证受力传递和结构整体牢固性的核心要素,需要弥补缺陷或损伤引起的安全隐患,给予主要节点、连接足够的重视。


文物(历史)建筑的修缮需要保证结构的安全,除了满足结构构件的安全要求外,结构的主要节点、连接的工作状态是保证受力传递和结构整体牢固性的核心要素,需要弥补缺陷或损伤引起的安全隐患,给予主要节点、连接足够的重视。

? ? ?本文来源:易立通

? ? 免责声明:本网站(即公司官网)转发的公众号文章内容,版权归原作者及原出处所有。若涉及版权问题,请及时联系我们进行删除或修改,本网站不承担任何因版权问题引发的法律责任。



 地址:安徽省宿州市经开区雁山路

Copyrights © 2022 3499拉斯维加斯官网建科All Rights Reservd.    皖ICP备2022008332号-1